【FHA75T65A產品類型】
N溝道溝槽柵截止型IGBT
【FHA75T65A產品描述】
FHA75T65A是一款場N溝道溝槽柵截止型IGBT,使用Trench Field stop technology 和通過優化工藝,來獲得極低的 VCEsat 飽和壓降,并在導通損耗和關斷損耗(Eoff)之間做出來良好的權衡。出色的導通壓降與極短的拖尾電流為客戶在優化系統效率時提供有力的幫助,廣泛適用于高頻車載正玄波AC220V逆變器、光伏逆變器、戶外儲能電源、UPS、電焊機等各類軟硬開關和PFC電路,可適用開關頻率1~60KHz。
其他IGBT管品牌替代型號:FGH75N65SHDT的IGBT管
【FHA75T65A產品特點】
高可靠性、擁有反向并行的快恢復二極管、Trench Field Stop technology(拖尾電流非常短、出色的Vcesat飽和壓降、關斷損耗低)、擁有正溫度系數。
【FHA75T65A產品參數】
|
Part Number |
Polarity
極性 |
Package(*)
封裝形式 |
VCEsat典型值
|
IC(A) (Tc=100℃) |
Bvces(V) |
IF(A) |
|
|
(Tc=25℃) |
(Tc=100℃) |
||||||
|
75T65A |
N |
TO-247 |
1.75V-typ ,<2.0V
|
75 |
650 |
150 |
75 |
【 FHA75T65A應用舉例】
1、 FHA75T65A應用于高頻車載AC220V輸出的正弦波逆變器
3KW機型:使用4只FHA75T65A在逆變器的全橋拓撲結構上(Q3-Q6:IGBT單管)
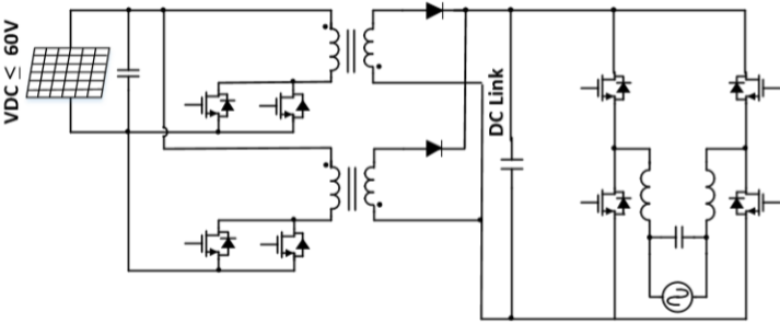
2、FHA75T65A應用于光伏逆變器,也叫太陽能逆變器
微型逆變器:5KW機型4只用于DC-AC逆變電路,2只用于PFC電路上
單相組串式光伏逆變器:前級升壓(Single Boost)

單相組串式光伏逆變器:后極逆變(Two-level)
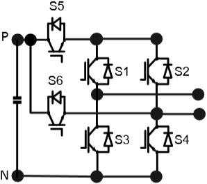
單相組串式光伏逆變器:后極逆變(Heric)
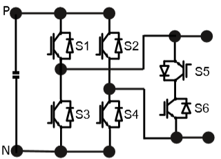
單相組串式光伏逆變器:后極逆變(H6)
3、FHA75T65A應用于戶外儲能電源(逆變模塊)
原理與車載正玄波逆變器相同,見上面的AC220V輸出的正玄波逆變器
3KW機型
4、FHA75T65A應用于UPS(逆變模塊)
工頻逆變和高頻逆變也是全橋拓撲結構,4個IGBT。
返回頂部
400-831-6077
在線留言