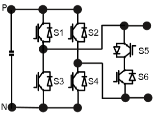
Heric逆變器驅動電路:傳統的光伏并網逆變器都是采用變壓器來進行電隔離,以此保障人身安全,但會大大降低了系統效率。heric就是一種無變壓器光伏逆變器拓撲,該拓撲是在H橋的橋臂兩端加上兩個反向的開關管進行續流,以達到續流階段電網與光伏電池隔離的目的。今天我們來探討一下,在國產有哪一款IGBT可以替代仙童的FGH40N60SFD應用于Heric逆變器驅動電路中。
為何需要選擇一款igbt來替換FGH40N60SFD型號參數呢?因為國產化的電子元器件是一個必然趨勢,未來產品可靠性的產業鏈就在國內了。那么要使用什么IGBT型來代換FGH40N60SFD產品的型號參數才能適配電路呢?有什么IGBT廠家的產品是比較好用的。
今天飛虹電子優先針對的Heric逆變器驅動電路產品進行分享,如果有其他需求的,可直接咨詢飛虹電子的官方網站mosgcj.com。其實對于Heric逆變器驅動電路的,我們推薦使用FHA40T65A應用于Heric逆變器驅動電路電路中。畢竟FHA40T65A是可以代換FGH40N60SFD型號的產品型號參數。
為何?因為FHA40T65A具備高可靠性,擁有反向并行的快恢復二極管,Trench Field Stop Ⅱ technology(拖尾電流非常短,出色的Vcesat飽和壓降,關斷損耗低),擁有正溫度系數。
從上述特點可知,Heric逆變器驅動電路使用什么IGBT?這一款40A、650V電流、電壓的FHA40T65A型號IGBT單管參數是很適合使用在Heric逆變器驅動電路的電路上。
當然,在應用中,我們Heric逆變器驅動電路研發工程師一定要了解這款優質FHA40T65A國產IGBT單管的詳細參數:其具有650V,40A,VCEsat典型值:1.51V,<1.85V;ID (Tc=100℃):40A;BVdss:650V;IF(A)(Tc=25℃):40;IF(A)(Tc=100℃):20。

FHA40T65A是一款場N溝道溝槽柵截止型IGBT,使用Trench Field stop Ⅱ technology 和通過優化工藝,Heric逆變器驅動電路使用什么IGBT?來獲得極低的 VCEsat 飽和壓降,并在導通損耗和關斷損耗(Eoff)之間做出來良好的權衡。
現在FHA40T65A型號IGBT單管已經廣泛適用于Heric逆變器驅動電路、戶外儲能電源、UPS、高頻車載正玄波AC220V逆變器、光伏逆變器、變頻器、電焊機和工業縫紉機等各類硬開關。可替代其它品牌型號:仙童FGH40N60SFD。
FHA40T65A的封裝形式是TO-3PN。這款產品參數:Vcesat-typ (@Ic=40A):1.51V;ID(A):40;BVdss(V):650、Vge(±V):30;。
Heric逆變器驅動電路作為重要的工業使用產品,在其產品質量保證的IGBT選擇,除選用FGH40N60SFD型號外,還可以用飛虹半導體的國產型號:FHA40T65A型號參數來代換。
除參數適合外,飛虹的工程師還會提供優質的產品測試服務。飛虹致力于半導體器件、集成電路、功率器件的研發、生產及銷售,給廠家提供可持續穩定供貨。至今已經有35年半導體行業經驗以及20年研發、制造經驗。除可提供免費試樣外,更可根據客戶需求進行量身定制IGBT產品。
直接百度輸入“飛虹半導體廠家”即可找到我們,免費試樣熱線:400-831-6077。